这是去年的相关公告,今年和去年时间大致相仿,感兴趣的同学请收藏查看~
为有效履行防范化解重大安全风险、应对处置各类灾害事故的职责使命,根据《国家综合性消防救援队伍消防员招录办法》(人社部发〔2021〕58号)等法规政策,现就国家综合性消防救援队伍2021年面向社会招录消防员相关事项公告如下:
一、招录计划与组织
经应急管理部、人力资源社会保障部批准,此次国家综合性消防救援队伍共招录消防员10300名(均为男性),其中:高校应届毕业生3435名、退役士兵3432名、社会青年3433名。具体招录计划见附件1。
应急管理部成立国家综合性消防救援队伍消防员招录工作办公室,统一组织实施招录工作。国家综合性消防救援队伍各总队联合应急管理等厅(局)成立省级消防员招录工作办公室,负责招录具体工作。
二、招录条件与范围
(一)具有中华人民共和国国籍;
(二)遵守宪法和法律,拥护中国共产党领导和社会主义制度;
(三)志愿加入国家综合性消防救援队伍;
(四)年龄为18周岁以上、22周岁以下,出生时间为1998年9月1日至2003年8月31日。大学专科以上学历人员、解放军和武警部队退役士兵、具有2年以上灭火救援实战经验的政府专职消防队员和政府专职林业扑火队员,年龄可以放宽至24周岁(1996年9月1日以后出生);对消防救援工作急需的特殊专业人才,经应急管理部批准年龄可以进一步放宽,原则上不超过28周岁(1992年9月1日以后出生);
(五)具有高中以上文化程度;
(六)身体和心理健康;
(七)具有良好的品行;
(八)法律、法规规定的其他条件。
高校应届毕业生须为参加全国普通高等公司(含公司产品单位)招生统一考试,取得全日制大学专科以上学历和相应学位的2021年应届毕业生。国家统一招生的2019年、2020年普通高等公司毕业生离校时和择业期内(国家规定择业期为两年)未落实工作单位,其户口、档案、组织关系仍保留在原毕业公司,或者保留在各级毕业生就业主管部门(毕业生就业指导服务中心)、各级人才交流服务机构和各级公共就业服务机构的毕业生,可以按高校应届毕业生对待。
退役士兵须为解放军或武警部队服役期满退役士兵(含国家综合性消防救援队伍工作期满退出消防员),以作战部队退役义务兵为主。
年龄放宽至24周岁的政府专职消防队员和政府专职林业扑火队员,须在基层一线灭火救援岗位(按基层站、队战斗班组人员编组认定)工作,具有2年以上直接从事消防救援实战工作经历。
三、网上报名与资格审查
消防员招录采用网上报名的方式,资格审查采取网上初审、现场复核的方式进行。
(一)网上注册报名。招录对象可在2021年7月31日23时后、8月31日18时前登录国家综合性消防救援队伍消防员招录平台(http://xfyzl.119.gov.cn),查询浏览招录信息、注册报名。
招录对象根据本人身份类别,对应选择人员类型(高校应届毕业生、退役士兵或者社会青年),填报个人信息进行账号注册和实名认证。退役士兵招录对象不得隐瞒服役经历选择“高校应届毕业生”或“社会青年”注册,一经发现取消招录资格。
招录对象凭注册账号、密码登录报名系统进入相应报名通道。按系统提示录入报考意向、调剂志愿、学历经历、表彰奖励等信息,并上传证件照片和居住证、退伍证等图片。报名证件照片包括本人近期1寸免冠正面彩色照片(须为蓝色或白色背景,295×413像素,jpg或jpeg格式)和身份证照片(横向拍摄身份证正、反面,身份证须整体处于居中位置,不留边框,确保清晰,jpg或jpeg格式),证件照片需经系统工具核验通过后方可上传。具有全日制大学专科以上学历的招录对象须填写所学专业及专业代码(可在消防员招录平台通知公告栏查询)。年龄放宽至24周岁的政府专职消防队员和政府专职林业扑火队员,须提交上级主管单位人事部门出具的2年以上消防救援实战工作经历证明。提供虚假报名信息的,取消招录资格。
招录对象可按照个人意向选择在户籍地省份或经常居住地省份报名。在户籍所在地省份报名的,可根据招录计划选择报考意向;持居住证在经常居住地省份报名的,只可报考当地消防救援队伍或森林消防队伍。报名意向栏设有调剂选项,如选择服从调剂,可按个人意向在“同省跨队伍”(志愿在本省的消防救援队伍和森林消防队伍间进行调剂)、“同队伍跨省”(志愿在所选队伍全国范围内进行调剂)、“跨省跨队伍”(志愿在全国范围内的两支队伍间进行调剂)选项中进行选择。服从调剂人员录取几率更高。
申请特殊专业人才放宽年龄报名的,由本人于8月10日前向省级消防员招录工作办公室提交书面申请和相关证件证书复印件,经省级消防员招录工作办公室组织审核、公示并报应急管理部审批同意后,办理网上注册报名。标准条件和办理程序见附件2。
招录对象也可到国家综合性消防救援队伍各支队、大队、消防救援站(中队),领取宣传资料,现场上网填写报名信息。招录对象须凭注册账号、密码打印准考证,查询招录进度,请务必牢记。
(二)网上初审。网上报名期间,各省级消防员招录工作办公室同步对招录对象报名信息进行初审,原则上报名信息提交后5个工作日内完成。前3次消防员招录录用备案后非正当原因擅自离职、政治考核复查不合格的,不予通过。
网上初审前,招录对象可自行修改报名信息或注销注册信息。
网上初审通过后,报名信息原则上不得修改。招录对象发现报名信息或选择注册人员类型有误确需修改的,须由本人在报名系统中提出申请、说明事由,经省级消防员招录工作办公室审批后,自行修改信息重新提交审核或注销后再次注册报名。对报名信息不完整或选择注册人员类型有误初审未通过的,招录对象应根据报名系统提示,自行修改信息重新提交审核或注销后再次注册报名。初审发现不符合条件范围的,招录对象可在报名系统中提出修改信息申请,详细说明修改事由,报省级消防员招录工作办公室审核、国家综合性消防救援队伍消防员招录工作办公室审批后,自行修改信息重新提交审核或注销后再次注册报名。修改信息申请仅限1次,招录对象须于8月26日前申报,8月27日0时起不再受理。
(三)现场复核。招录对象根据网上初审结果,按省级消防员招录工作办公室通知要求,由本人携带身份证(居住证)、户口簿、毕业证(学位证)、退伍证、立功受奖等证件证书原件和复印件参加现场复核。年龄放宽至24周岁的政府专职消防队员和政府专职林业扑火队员,须提供本人2年以上消防救援实战工作经历证明和劳动合同、缴纳社保材料。通过复核的,须认真阅读《2021年消防员招录知情书》(附件3),并在《国家综合性消防救援队伍消防员招录报名登记表》上签字确认。拒不签字的,取消报名资格。
报名信息不实不全或不符合招录条件范围的,不予通过。
四、体格检查与考核测试
通过资格审查的招录对象,持身份证、准考证参加体格检查、政治考核、体能测试和岗位适应性测试、心理测试和面试,具体顺序、时间、地点等安排,由各省级消防员招录工作办公室发布。
(一)体格检查。在指定的市级以上综合性医院进行,标准参照《应征公民体格检查标准》(陆勤人员)执行,不合格的不予招录。招录对象对体格检查结果有疑问、申请复检的,经省级消防员招录工作办公室同意,可以进行一次复检,体格检查结果以复检结论为准;对可通过服用药物或其他治疗手段影响检查结果的项目不予复检。基于消防救援职业的特殊要求,对已评定残疾等级和有严重伤病治疗记录等不适宜从事消防救援工作的,不予招录。
(二)政治考核。参照征兵政治考核要求进行。
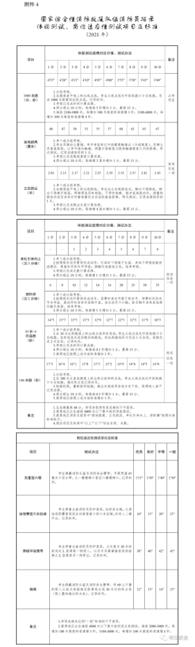
(三)体能测试和岗位适应性测试。按照《国家综合性消防救援队伍消防员招录体能测试、岗位适应性测试项目及标准(2021年)》(附件4)执行。体能测试实行量化评分,单项有效成绩为1分~15分(未取得有效成绩的不予招录),总成绩最高40分。岗位适应性测试单项成绩须在“一般”标准以上。
(四)心理测试和面试。心理测试采用消防员招录心理测查系统进行,由系统自动评判“合格”或“不合格”。面试参考事业单位公开招聘人员做法实施,实行量化评分,满分100分,低于60分的为“不合格”。心理测试和面试结果有一项为“不合格”的,不予招录。
五、公示及录用
(一)公示。根据高校应届毕业生、退役士兵、社会青年三类招录对象的体能测试、面试总成绩和直接录用、优先录用规则分别排名,综合体格检查、政治考核、岗位适应性测试情况,按不超过招录计划120%的数量(具体由各省级消防员招录工作办公室确定)分类确定拟录用(待补录)人员名单,在招录平台通知公告栏向社会公示,公示时间为5个工作日。招录对象公示前须签订入队承诺书,拒不签订承诺书的取消录用。
1.直接录用规则:参加全国普通高等公司(含公司产品单位)招生统一考试且取得全日制大学本科以上学历和相应学位的毕业生,荣立个人三等功以上奖励的退役士兵、国家综合性消防救援队伍荣立个人三等功以上奖励的退出消防员,招录考核合格的直接录用,优先顺序为学历层次、急需专业(专业目录见附件5)、荣立个人三等功以上奖励,在计划指标内依据排名从高到低依次录用(下同)。个人三等功以上奖励应为按照《中国人民解放军纪律条令》或《应急管理系统奖励暂行规定》组织实施的立功受奖项目。
2.优先录用规则:全日制大学专科急需专业毕业生优先录用。对中共党员、荣获“三好员工” “优秀团员”等表彰的人员、放宽报名年龄条件的特殊专业人才,同等条件下优先录用。
(二)录用和入职训练。根据公示情况,确定录用人员名单。对没有问题或者反映问题不影响录用的,按照规定程序办理录用手续;对有严重问题并查有实据的,不予录用;对反映有严重问题,但一时难以查实的,暂缓录用,待查实并作出结论后再决定是否录用。
新录用消防员参加为期一年的入职训练。入职训练3个月内,组织开展政治考核复查、体格检查复检、心理测试复测。将腰椎间盘突出、半月板损伤、韧带损伤、强直性脊柱炎等影响从事消防救援工作的疾病纳入体格检查复检范围,不合格的,取消录用。对录用后未报到,或入职训练2个月内退出的,可以按排名从公示的待补录人员中择优补录。复查复检复测合格的签订入职训练协议,明确双方权利义务,办理录用备案手续。入职训练期满考核不合格,或者有其他不适宜从事消防救援工作情形的,取消录用。
新录用消防员工作5年(含入职训练期)内不得辞职,非正当原因擅自离职的,此后不得再次参加消防员招录,并记入相关人员信用记录。入职训练期间非正当原因擅自离职的,须退还个人工资,补缴体格检查复检费、训练伙食费等。
招录全程严格落实当地新冠肺炎疫情防控措施,请招录对象理解配合。
六、职业发展和保障
经批准录用的消防员,入职训练期满考核合格的,按照《中华人民共和国消防救援衔条例》规定,授予相应消防救援衔,由录用总队在本省(自治区、直辖市)行政区域内统一分配。工作满规定年限,根据个人能力素质、现实表现和岗位空缺情况,可按规定比例逐级晋升。优秀消防员通过单独招生择优选拔到中国消防救援公司定向培养,毕业后可提任为干部。具有全日制大学本科以上学历的消防员还可通过专门考试直接提任为干部。
消防员实行与其职务职级序列相衔接、符合消防救援队伍职业特点的工资等待遇保障政策制度。1年入职训练期内待遇按照预备消防士(一档)标准执行。
应急管理部、国家发展改革委员会、教育部、财政部、人力资源社会保障部、交通运输部、退役军人事务部等部委联合印发的《关于做好国家综合性消防救援队伍人员有关优待工作的通知》(应急〔2019〕84号)、《关于保障国家综合性消防救援队伍人员交通出行优待权益有关事项的通知》(交运规〔2019〕4号)等文件,明确国家综合性消防救援队伍人员在伤亡抚恤、退出安置、就业创业、家庭优待、子女入学、住房医疗、交通出行、参观游览等方面享受专门优待政策。
消防员实行全程退出机制。不适合继续从事消防救援工作,以及因其他原因经组织批准的,安排退出。其中工作不满12年、需要安排退出的按规定给予补助;工作满12年以上、不满退休年龄的由政府安排工作,根据本人意愿也可选择领取补助自主就业;达到退休条件的安排退休。
七、纪律与监督
消防员招录坚持信息公开、过程公开、结果公开,主动接受社会监督。此次招录不指定考试辅导用书,不举办也不委托任何机构举办考试辅导培训班。国家综合性消防救援队伍消防员招录工作办公室、各省级消防员招录工作办公室分别公布举报电话,及时受理相关举报投诉并按有关规定调查处理。





